Разное от snow-72

  Вход на форум   логин       пароль   Забыли пароль? Регистрация
On-line:  Pedro  

Раздел: 
Портативное ретрорадио / Общий раздел / Разное от snow-72

Страницы: << Prev 1 2 3 4 5 6 7  ответить новая тема

Автор Сообщение

магистр тайных сил
Группа: Участники
Сообщений: 1779
Добавлено: 06-02-2022 16:20
Может и нормально.Я просто на смартфоне смотрел.Увеличивая пальцами.

мастер
Группа: Участники
Сообщений: 886
Добавлено: 06-02-2022 19:41
Может и нормально.Я просто на смартфоне смотрел.Увеличивая пальцами.

А после перехода по ссылке на ipic.su, Вы там на увеличение картинки до полного размера нажимали, или превьюшку пытались пальцами растянуть?

магистр тайных сил
Группа: Участники
Сообщений: 1779
Добавлено: 06-02-2022 21:20
Может и нормально.Я просто на смартфоне смотрел.Увеличивая пальцами.

А после перехода по ссылке на ipic.su, Вы там на увеличение картинки до полного размера нажимали, или превьюшку пытались пальцами растянуть?


При нажатии на превью у меня открывается схема целеком на чёрном фоне и не какой панели инструментов и возможностей от ipic.su нет.




мастер
Группа: Участники
Сообщений: 886
Добавлено: 06-02-2022 23:16
При нажатии на превью у меня открывается схема целеком на чёрном фоне и не какой панели инструментов и возможностей от ipic.su нет.
Понятно. Просто при нажатии на превьюшку, вставленную в сообщение на форуме, ipic.su открывает в новой вкладке не полный размер изображения, а ужатый до размеров экрана:


На компе, чтоб открыть полный размер, нужно кликнуть по самому ужатому изображению левой кнопкой мыши, о чём подсказывает мышиный курсор в виде лупы:


А как всё это должно на смартфонах работать, я не в курсе.

магистр тайных сил
Группа: Участники
Сообщений: 1779
Добавлено: 06-02-2022 23:23
Ладно,спасибо,разберусь.В принципе не ужатую схему я через яндекс диск выложил.Теперь каждый может делать с ней всё что захочет.

магистр тайных сил
Группа: Участники
Сообщений: 1779
Добавлено: 11-02-2022 12:16
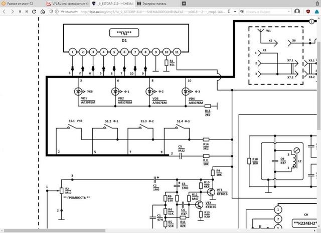
04ФП003
04ЕН004
04ХА005
04ХА009
04УН009---Первая версия.



больше фоток.

https://violity.com/102182986-km-i-mikrosborki-pd

Лот из Одессы.Там где "Темп"

магистр тайных сил
Группа: Участники
Сообщений: 1779
Добавлено: 13-02-2022 00:38
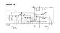
УН9.0

04УН009---первый вариант,изначальный.

Документ предоставленный уважаемым KolbasNICом.Без него опознание было-бы значительно труднее.Большое ему спасибо!



Разрисовка.



Схема.







У этой микросборки три транзистора должны быть с обратной стороны.817,816 и 361.Фото обратной стороны нет.Номиналы на моей схеме умозрительно условны.

Все транзисторы не смд (315,361,3107,816,817)

Создалось впечатление что микросборка разрабатывалась в попыхах и под отсуцтвие оборудывания лазерной подгонки резисторов.Поэтому имеется два подстроечника.

Схемотехника УН009-ых повторяет схемотехнику усилителей радиоприёмников "АЛЬПИНИСТ","ТУРИСТ" и,т,д. восьмидесятых годов.

Страницы: << Prev 1 2 3 4 5 6 7  ответить новая тема
Раздел: 
Портативное ретрорадио / Общий раздел / Разное от snow-72

KXK.RU